OKY3443 토양수분 센서를 활용한 아두이노 프로젝트! 간단한 연결과 코딩으로 실시간 토양 상태를 모니터링해보세요. 자동 급수 시스템으로도 확장 가능한 아이디어를 직접 구현해보세요.
목차
[아두이노][센서] OKY3443 토양수분 센서를 활용한 스마트 모니터링 시스템 구축

OKY3443 토양수분 센서는 아두이노와 LCD 쉴드를 활용하여 실시간으로 토양의 수분 상태를 모니터링할 수 있는 간단하면서도 강력한 도구입니다.
이 프로젝트는 센서 데이터를 읽어 디스플레이에 출력하는 기본적인 기능을 구현하며, 이를 통해 초보자도 아두이노 하드웨어와 소프트웨어의 통합을 경험할 수 있습니다.
특히, 센서의 값을 평균화하여 노이즈를 줄이고, 디스플레이를 통해 상태를 시각적으로 확인할 수 있어 직관적인 사용이 가능합니다.
이 시스템은 농업, 스마트 화분 관리, 환경 모니터링 등 다양한 분야에 응용할 수 있으며, 이를 기반으로 자동 급수 시스템, 데이터 로깅 등의 확장 프로젝트를 구현할 수 있습니다.
1. OKY3443 (또는 CYT1033) 토양수분 센서란?
OKY3443 토양수분 센서는 토양의 수분 함량을 측정하여 아두이노와 같은 마이크로컨트롤러에서 활용할 수 있는 아날로그 출력 센서입니다. 이 센서는 두 개의 프로브를 통해 토양의 저항 변화를 감지하며, 이를 통해 토양의 습도를 파악할 수 있습니다. 주로 농업, 원예, 스마트 화분 등에서 토양의 수분 상태를 모니터링하거나 자동 급수 시스템을 구축하는 데 활용됩니다. 간단한 구조와 사용법으로 초보자도 쉽게 접근할 수 있는 센서입니다.

주요 특징:
- 아날로그 출력: 토양의 수분 함량에 따라 0~2.3V 범위의 아날로그 신호를 출력합니다.
- 전원 공급: 3.3V 또는 5V 전원으로 동작하며, 소비 전류는 20mA 이하로 저전력입니다.
- 간단한 연결: VCC, GND, SIG의 3핀 구조로 쉽게 연결할 수 있습니다.
- 응용 분야: 자동 급수 시스템, 토양 수분 모니터링 등 다양한 프로젝트에 활용 가능합니다.
이러한 특징으로 인해 OKY3443 토양수분 센서는 토양의 수분 상태를 실시간으로 모니터링하고, 이를 기반으로 다양한 자동화 시스템을 구현하는 데 유용하게 사용됩니다.
2. OKY3443 토양수분 센서의 동작 원리
OKY3443 토양수분 센서는 토양의 수분 함량에 따른 저항 변화를 감지하여 아날로그 신호로 출력하는 방식으로 동작합니다. 센서의 두 개의 프로브는 토양에 삽입되어 토양의 전도도를 측정합니다. 토양이 습할수록 전도도가 높아져 저항이 낮아지고, 건조할수록 전도도가 낮아져 저항이 높아집니다.

센서의 출력 전압은 토양의 수분 함량에 따라 다음과 같이 변화합니다:
- 건조한 토양: 출력 전압이 낮음
- 습한 토양: 출력 전압이 높음
- 물에 잠긴 상태: 출력 전압이 최대값에 근접
아두이노와 같은 마이크로컨트롤러는 센서의 SIG 핀에서 제공되는 아날로그 신호를 읽어들여 토양의 수분 상태를 파악할 수 있습니다. 이를 통해 자동 급수 시스템을 구현하거나, 토양의 수분 상태를 실시간으로 모니터링하는 등의 응용이 가능합니다.
센서의 전원 공급은 3.3V 또는 5V로 가능하며, 소비 전류는 20mA 이하로 저전력 설계되어 있습니다. 출력 전압 범위는 0V에서 최대 2.3V까지이며, 이는 센서가 완전히 물에 잠겼을 때의 출력 전압입니다. 이러한 특성을 활용하여 토양의 수분 상태를 정밀하게 모니터링할 수 있습니다.
3. OKY3443 센서 구입하기
OKY3443 토양수분 센서는 국내 온라인 전자부품 쇼핑몰에서 약 2,000원에서 5,000원 사이에 구매할 수 있습니다. 해외 구매를 고려한다면, 알리익스프레스에서 약 1~2달러에 판매되며, 배송비와 배송 기간을 확인하는 것이 중요합니다. 구매 시에는 판매자의 평판과 제품 리뷰를 확인하여 신뢰할 수 있는 판매처를 선택하는 것이 좋습니다. 또한, 센서의 품질과 내구성을 고려하여 부식 방지 처리가 된 제품을 선택하면 장기간 안정적으로 사용할 수 있습니다. 초보자라면, 센서와 함께 제공되는 사용 설명서나 튜토리얼이 있는 제품을 선택하면 초기 설정과 사용에 도움이 될 것입니다.

4. OKY3443 하드웨어 연결하기
OKY3443 토양수분 센서와 아두이노 LCD 쉴드(16x2)를 이용한 프로젝트는 간단한 하드웨어 연결로 구현할 수 있습니다. LCD 쉴드는 아두이노 위에 직접 장착되며, 센서의 출력값을 표시하는 데 사용됩니다. OKY3443 센서의 SIG 핀은 LCD 쉴드의 A1 핀에 연결되어 아날로그 신호를 전달합니다. 센서의 VCC 핀은 LCD 쉴드의 5V 핀과, GND 핀은 GND에 각각 연결되어 안정적인 전원을 공급받습니다. LCD 쉴드의 A1 핀은 아날로그 입력으로 설정되어 센서의 데이터를 읽고 처리할 수 있습니다. 센서를 연결할 때는 GND를 공통으로 설정해 신호의 정확성을 유지해야 합니다. 연결이 완료되면 아두이노는 센서에서 수집한 데이터를 처리하고, LCD 화면에 토양의 수분 상태를 실시간으로 표시할 수 있습니다. 모든 연결은 정확히 확인해 느슨한 접촉이 없도록 주의해야 합니다.

이 프로젝트에서는 아두이노와 OKY3443 토양수분 센서, 그리고 16x2 LCD 쉴드를 사용하여 토양의 수분 상태를 모니터링합니다. LCD 쉴드는 데이터를 시각적으로 표시하며, 센서는 아날로그 값으로 토양의 수분 상태를 전달합니다. 아래는 하드웨어 연결 방법과 그 이유를 구체적으로 설명합니다.
필요한 부품
- 아두이노 보드 (Uno, Mega 등)
- LCD 쉴드 (16x2) - I2C 또는 핀 연결 방식
- OKY3443 토양수분 센서
- 점퍼 와이어
하드웨어 연결
- LCD 쉴드와 아두이노 연결
- LCD 쉴드는 아두이노 위에 직접 꽂아서 사용합니다.
- LCD의 제어 핀은 자동으로 아두이노의 D8~D13, A0 또는 A1 핀과 매핑됩니다.
- OKY3443 토양수분 센서 연결
- OKY3443의 SIG 핀을 LCD 쉴드의 A1 핀에 연결합니다.
- OKY3443의 VCC 핀은 LCD 쉴드의 5V 핀과 연결합니다.
- OKY3443의 GND 핀은 LCD 쉴드의 GND 핀과 연결합니다.
- 핀 매핑 요약
- 아두이노 LCD 쉴드 A1 → OKY3443 SIG
- 아두이노 LCD 쉴드 5V → OKY3443 VCC
- 아두이노 LCD 쉴드 GND → OKY3443 GND
연결 이유
- SIG 핀 연결 (A1): OKY3443 센서의 아날로그 신호는 아두이노에서 읽을 수 있어야 합니다. LCD 쉴드의 A1 핀은 아날로그 입력으로 설정되어 센서 데이터를 읽을 수 있습니다.
- 5V 전원 공급: 센서는 안정적인 동작을 위해 5V 전원이 필요하며, LCD 쉴드에서 이를 공급합니다.
- GND 연결: 공통 기준 전압을 설정하기 위해 센서와 LCD 쉴드의 GND를 연결해야 합니다.
연결 시 유의 사항
- LCD 쉴드를 아두이노에 완전히 밀착시켜 장착하세요. 느슨한 연결은 신호 전달 문제를 유발할 수 있습니다.
- 센서의 프로브는 토양에 삽입하기 전, 이물질을 제거하여 정확한 측정을 보장하세요.
- 센서의 GND와 아두이노 GND가 반드시 동일하게 설정되어야 데이터가 올바르게 전달됩니다.
이 연결 과정을 완료하면, 센서의 데이터를 아두이노에서 읽고 LCD 화면에 토양 상태를 실시간으로 출력할 수 있습니다.
5. OKY3443 소프트웨어 코딩하기
센서를 제어하기 위한 소프트웨어 준비 과정은 다음과 같은 단계로 이루어집니다

1. 아두이노
01 연결
- 아두이노와 PC 연결
- 아두이노 IDE 실행
- 메뉴 → 툴 → 보드:아두이노 UNO 확인
- 메뉴 → 스케치 → 확인/컴파일
02 컴파일 확인
스케치>확인/컴파일(CTRL+R) 를 선택해서 컴파일을 진행합니다.
03 아두이노 우노 업로드
컴파일이 이상없이 완료되면 스케치>업로드(CTRL+U) 를 선택해서 컴파일 파일을 업로드 합니다.
04 동작 확인
센서의 동작을 확인할 수 있습니다.
2. 코드 설명
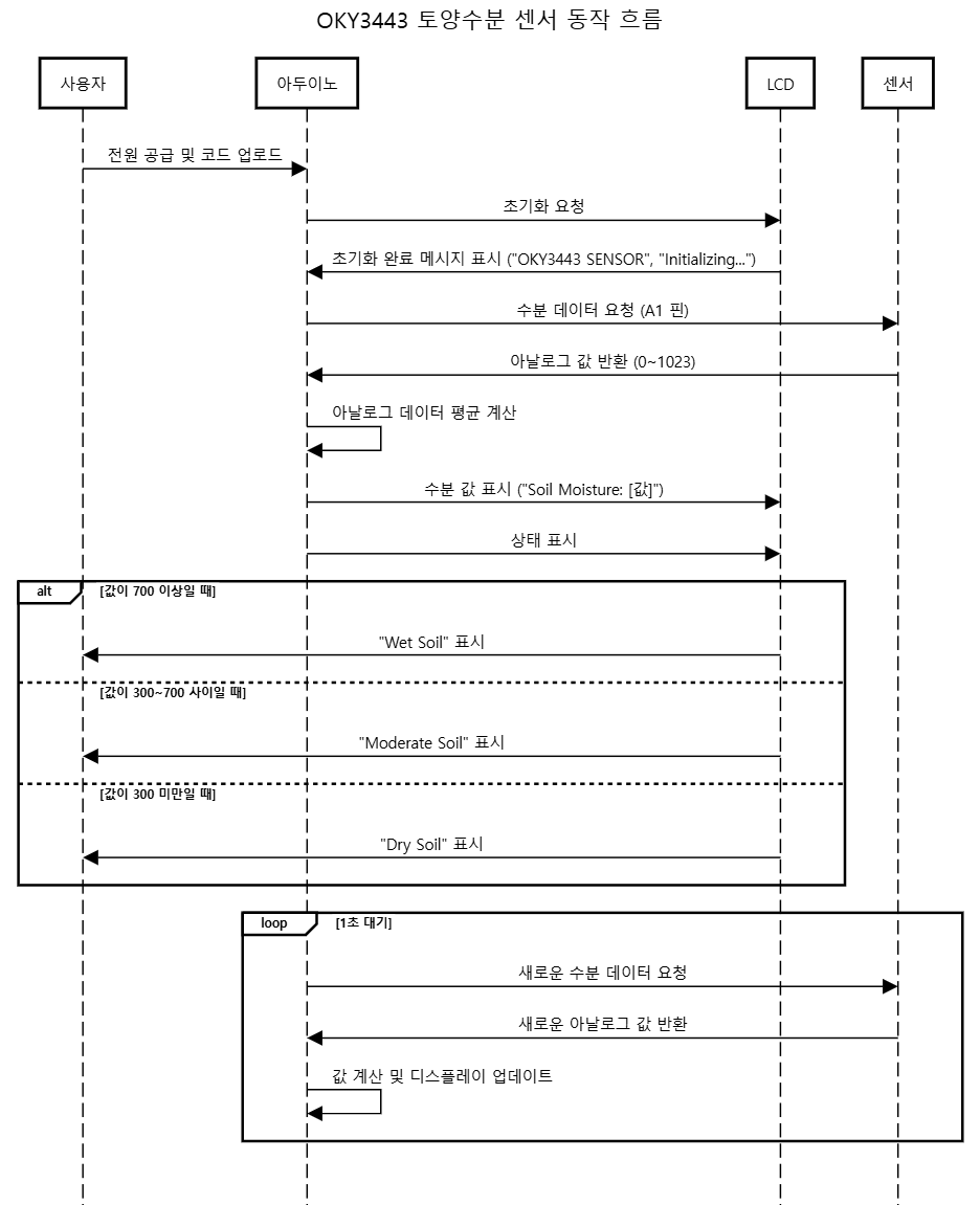
아두이노, LCD 쉴드, OKY3443 센서를 제어하는 위 코드의 동작은 다음의 순서도를 따릅니다. 이 순서는 초기화부터 센서 데이터 측정 및 디스플레이 출력까지의 과정을 상세히 설명합니다.
#include <LiquidCrystal.h> // LCD 라이브러리 포함
// LCD 쉴드 핀 정의 (LCD RS, EN, D4, D5, D6, D7)
LiquidCrystal lcd(8, 9, 4, 5, 6, 7);
// 핀 및 변수 정의
const int soilSensorPin = A1; // 토양 수분 센서 핀 (아날로그 입력)
int soilMoistureValue = 0; // 센서에서 읽은 수분 값
// 초기화 함수
void setup() {
pinMode(soilSensorPin, INPUT); // 센서 핀을 입력 모드로 설정
initializeLCD(); // LCD 초기화 함수 호출
}
// 메인 루프
void loop() {
soilMoistureValue = readSoilMoisture(); // 센서 데이터 읽기
displaySoilMoisture(soilMoistureValue); // LCD에 값 표시
delay(1000); // 1초 대기 후 반복
}
// LCD 초기화 함수
void initializeLCD() {
lcd.begin(16, 2); // LCD를 16x2 크기로 설정
lcd.setCursor(0, 0); // 첫 번째 줄 첫 번째 칸으로 커서 이동
lcd.print("OKY3443 SENSOR"); // 초기 메시지 출력
lcd.setCursor(0, 1); // 두 번째 줄 첫 번째 칸으로 커서 이동
lcd.print("Initializing..."); // 초기화 메시지 출력
delay(2000); // 2초 대기
lcd.clear(); // LCD 화면 초기화
}
// 토양 수분 센서 값 읽기 함수
int readSoilMoisture() {
const int sampleCount = 10; // 평균화를 위한 샘플 개수
int totalValue = 0; // 센서 값 합계 저장 변수
for (int i = 0; i < sampleCount; i++) {
totalValue += analogRead(soilSensorPin); // 센서 값 누적
delay(20); // 각 샘플 간의 짧은 대기
}
return totalValue / sampleCount; // 평균값 반환
}
// LCD에 토양 수분 상태 표시 함수
void displaySoilMoisture(int moistureValue) {
lcd.clear(); // LCD 화면 초기화
lcd.setCursor(0, 0); // 첫 번째 줄 첫 번째 칸으로 커서 이동
lcd.print("Soil Moisture:");// 센서 값 표시
lcd.print(moistureValue);
lcd.setCursor(0, 1); // 두 번째 줄 첫 번째 칸으로 이동
// 센서 값에 따라 상태 출력
if (moistureValue > 700) {
lcd.print("Wet Soil"); // 습한 토양
} else if (moistureValue > 300) {
lcd.print("Moderate Soil");// 적당한 토양 습도
} else {
lcd.print("Dry Soil"); // 건조한 토양
}
}

1. 초기화 단계
코드 흐름: setup() → initializeLCD()
- LCD 초기화:
- lcd.begin(16, 2) 명령으로 LCD 화면을 초기화합니다.
- 초기 메시지 "OKY3443 SENSOR"와 "Initializing..."를 LCD에 표시해 사용자에게 센서 준비 상태를 알립니다.
- 초기화 단계가 완료되면 LCD를 클리어하여 다음 작업에 대비합니다.
- 센서 핀 설정:
- pinMode(soilSensorPin, INPUT)을 통해 토양 수분 센서 핀을 입력 모드로 설정합니다.
동작 결과:
LCD는 초기화 메시지를 표시하며, 센서 데이터 읽기 준비를 완료합니다.
2. 루프 시작 단계
코드 흐름: loop() → readSoilMoisture()
- 토양 수분 데이터 읽기:
- readSoilMoisture() 함수는 OKY3443 센서의 데이터를 평균값으로 읽어 안정적인 값을 반환합니다.
- 아날로그 값은 analogRead()를 통해 읽으며, 10번 반복 측정 후 평균을 계산해 데이터 노이즈를 줄입니다.
- 계산된 값은 soilMoistureValue 변수에 저장됩니다.
동작 결과:
센서로부터 얻어진 정확한 토양 수분 데이터가 준비됩니다.
3. 데이터 처리 및 출력 단계
코드 흐름: displaySoilMoisture(soilMoistureValue)
- LCD에 데이터 출력:
- lcd.clear()로 LCD 화면을 초기화합니다.
- 첫 번째 줄에 "Soil Moisture:"와 센서 값을 표시합니다.
- 두 번째 줄에 센서 값에 따른 상태를 출력합니다:
- 값이 700 이상이면 "Wet Soil"로 습한 상태를 표시.
- 값이 300~700 사이면 "Moderate Soil"로 적당한 상태를 표시.
- 값이 300 미만이면 "Dry Soil"로 건조 상태를 표시.
동작 결과:
실시간으로 토양 수분 값과 상태가 LCD에 표시됩니다.
4. 대기 및 반복 단계
코드 흐름: delay(1000) → loop()
- 데이터 업데이트 간격 설정:
- delay(1000)으로 1초 대기 후, 다시 루프를 반복합니다.
- 이 과정은 새로운 데이터를 읽어 화면에 업데이트하는 주기를 설정합니다.
동작 결과:
센서는 지속적으로 데이터를 측정하며, LCD는 1초마다 새로운 값을 표시합니다.
전체 동작 요약

- 초기화 단계:
- LCD 초기화 및 준비 상태 메시지 표시.
- 센서 핀 입력 설정.
- 루프 반복 시작:
- 토양 수분 센서 데이터 평균값 계산.
- 데이터 처리 및 출력:
- LCD에 현재 토양 수분 값과 상태를 출력.
- 대기 및 업데이트:
- 1초 대기 후 새로운 데이터 측정 및 출력 반복.
코드 실행 예시
- LCD 첫 번째 줄: Soil Moisture: 512
- LCD 두 번째 줄: Moderate Soil
위와 같은 방식으로 토양 상태가 실시간으로 업데이트됩니다.
이 동작 순서를 통해 센서 데이터 측정과 LCD 출력이 효율적으로 이루어지며, 프로젝트의 주요 목표인 토양 수분 상태 실시간 모니터링이 구현됩니다.
예시
- 토양 상태: 매우 습한 상태 (Wet Soil)
- 센서 값: 800
- LCD 출력:
Soil Moisture: 800Wet Soil
- 토양 상태: 적당한 습도 (Moderate Soil)
- 센서 값: 500
- LCD 출력:
Soil Moisture: 500Moderate Soil
- 토양 상태: 건조한 상태 (Dry Soil)
- 센서 값: 200
- LCD 출력:
Soil Moisture: 200Dry Soil
이와 같은 방식으로 센서 값에 따라 LCD 화면에 토양의 상태가 실시간으로 표시됩니다.
6. OKY3443 동작 확인
OKY3443 센서를 통해 토양 상태를 측정하려면 아두이노와 LCD 쉴드가 정상적으로 초기화되었는지 확인합니다. 전원을 공급하면 LCD에 초기 메시지가 표시되고, 센서 값을 읽어 현재 토양 상태를 출력합니다. 센서를 건조한 토양, 습한 토양, 물에 담근 상태로 테스트하여 LCD에 적절한 메시지가 표시되는지 확인합니다. 문제가 발생하면 배선, 전원 공급 상태, 코드 오류를 점검하여 해결합니다.

OKY3443 토양수분 센서와 아두이노, LCD 쉴드를 연결하고 코드를 업로드한 후, 시스템이 올바르게 작동하는지 확인하는 과정은 다음과 같습니다:
- 전원 공급 및 초기화 확인:
- 아두이노 보드에 전원을 공급하면 LCD 화면에 "OKY3443 SENSOR"와 "Initializing..." 메시지가 표시됩니다. 이는 시스템이 정상적으로 초기화되고 있음을 나타냅니다.
- 센서 값 측정 및 표시:
- 초기화가 완료되면 LCD 화면에 현재 토양 수분 값과 상태가 표시됩니다. 예를 들어, "Soil Moisture: 512"와 "Moderate Soil"과 같은 메시지가 나타납니다.
- 센서 반응 테스트:
- 센서를 건조한 토양에 삽입하면 LCD에 "Dry Soil" 메시지가 표시되어야 합니다.
- 센서를 물에 담그면 "Wet Soil" 메시지가 나타나야 합니다.
- 이러한 변화를 통해 센서가 토양 수분 상태에 따라 정확하게 반응하는지 확인할 수 있습니다.
- 시리얼 모니터를 통한 데이터 확인:
- 아두이노 IDE의 시리얼 모니터를 열어 센서로부터 읽은 아날로그 값을 실시간으로 확인할 수 있습니다. 이를 통해 센서의 출력이 예상 범위 내에 있는지 검증할 수 있습니다.
- 문제 발생 시 점검 사항:
- LCD에 예상된 메시지가 표시되지 않거나 센서 값이 비정상적으로 나타날 경우, 다음을 확인합니다:
- 배선 연결: 모든 핀이 올바르게 연결되었는지 확인합니다.
- 전원 공급: 아두이노와 센서에 적절한 전원이 공급되고 있는지 점검합니다.
- 코드 오류: 업로드한 코드에 오류가 없는지 다시 확인하고, 필요 시 수정합니다.
- LCD에 예상된 메시지가 표시되지 않거나 센서 값이 비정상적으로 나타날 경우, 다음을 확인합니다:
이러한 단계를 통해 OKY3443 토양수분 센서 시스템이 정상적으로 작동하는지 확인할 수 있습니다.
7. 마무리
이 프로젝트를 통해 OKY3443 센서로 실시간 토양 수분 상태를 모니터링하는 시스템을 성공적으로 구현했습니다. 이를 통해 센서 데이터 처리, 하드웨어와 소프트웨어의 통합 등 다양한 기술적 경험을 쌓을 수 있습니다. 추가적으로 자동 급수 시스템, 데이터 로깅, 무선 모니터링과 같은 확장 프로젝트를 시도할 수 있습니다. 이 경험은 스마트 농업이나 IoT 프로젝트의 시작점이 될 것입니다.
OKY3443 토양수분 센서와 아두이노, LCD 쉴드를 활용하여 토양의 수분 상태를 실시간으로 모니터링하는 시스템을 구축하였습니다. 이 프로젝트를 통해 다음과 같은 경험을 얻을 수 있습니다:
- 센서 데이터 처리: 아두이노를 통해 센서로부터 아날로그 데이터를 읽고, 이를 유의미한 정보로 변환하는 과정을 이해할 수 있습니다.
- 디스플레이 활용: LCD 쉴드를 사용하여 센서 데이터를 시각적으로 표현하는 방법을 학습하였습니다.
- 하드웨어 및 소프트웨어 통합: 하드웨어 연결과 소프트웨어 코딩을 통합하여 하나의 완성된 시스템을 구현하는 경험을 쌓았습니다.
이러한 경험을 바탕으로 다음과 같은 확장 프로젝트를 고려해볼 수 있습니다:
- 자동 급수 시스템: 토양 수분 값이 일정 수준 이하로 내려가면 자동으로 물을 공급하는 시스템을 구축하여 식물의 건강한 성장을 지원할 수 있습니다.
- 무선 모니터링: 블루투스나 Wi-Fi 모듈을 추가하여 스마트폰이나 PC를 통해 원격으로 토양 수분 상태를 모니터링하고 제어할 수 있는 시스템을 개발할 수 있습니다.
- 데이터 로깅: SD 카드 모듈을 활용하여 장기간의 토양 수분 데이터를 저장하고 분석하여 농업 연구나 스마트 농업 시스템에 활용할 수 있습니다.
이러한 확장 프로젝트를 통해 아두이노와 센서의 활용 범위를 넓히고, 더 복잡하고 유용한 시스템을 개발하는 데 도전해보시기 바랍니다.
모두의 아두이노 환경 센서 : 네이버 도서
네이버 도서 상세정보를 제공합니다.
search.shopping.naver.com
'모두의 아두이노 > 아두이노 센서' 카테고리의 다른 글
| [아두이노][센서] GROVE 토양 수분 센서를 활용한 스마트 토양 관리 시스템 구축 (0) | 2024.11.25 |
|---|---|
| [아두이노][센서] SHT10 스마트 농업의 시작! 토양수분 센서와 아두이노로 온습도 실시간 측정하기 (0) | 2024.11.25 |
| [아두이노][센서] YL-69 스마트 농업의 시작! 토양수분 센서로 수분 상태 측정하기 (0) | 2024.11.23 |
| [아두이노][센서] KY-026 불꽃 감지 센서로 화재 경고 시스템 구축하기! (0) | 2024.11.22 |
| [아두이노][센서] SI1145 햇빛 강도 측정! UV 센서로 환경 모니터 (0) | 2024.11.21 |
댓글